热点: 宜城龙祥 宜城磷肥 宜城硫酸

s

资料中心

News Center

联系方式

湖北龙祥磷化有限公司
联系地址:湖北省宜城市大雁工业园区
电话:0710-4393529
合作邮箱:yclx888@163.com
咨询QQ:510613662

资料中心

您当前所在的位置: 首页 » 新闻资讯 » 媒体报导 » 硫酸、氨基磺酸及亚钠排污信息公示202105

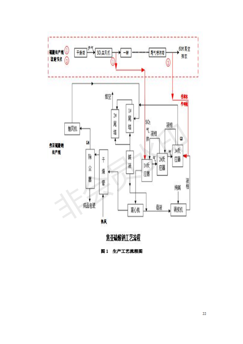
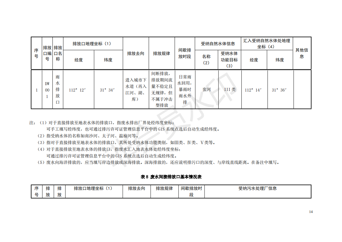
硫酸、氨基磺酸及亚钠排污信息公示202105

发布日期:2021-05-08 20:01:42

一号客服二号客服